Cutie Pie Gas Filled Radiation Detector : Individual events cannot be detected;

Cutie Pie Gas Filled Radiation Detector : Individual events cannot be detected;. Introduction to nuclear radiation detectors. On portable ones what qc is done and how often is it. We have learned in the last two chapters about how radiation interacts with matter and we are now in a position to apply our understanding to the detection of radiation. Early detectors used photographic plates to detect tracks left by nuclear interactions. Radiation detectors └ test meters & detectors └ test, measurement & inspection └ business & industrial all categories antiques art automotive baby books business & industrial cameras & photo cell phones & accessories clothing, shoes & accessories coins & paper money collectibles.

Radiation detectors are devices that measure this ionization and produce an observable output. Geiger counter + nitrate tester. The compact and lightweight digital cutie pie is useful for measuring exposure and dose rates, determining shielding effectiveness, checking source containers, monitoring. As defined by the u.s. What is a crystal that is used in tld?

Protection Final 1 15 Radiation Protection Post Lecture Quizzes Complete Flashcards Quizlet
Protection Final 1 15 Radiation Protection Post Lecture Quizzes Complete Flashcards Quizlet from quizlet.com
What is a crystal that is used in tld? Gas filled detectors, nuclear radiation detection, gm counters, proportional counters, ionization chamber. Radiation detectors are devices that measure this ionization and produce an observable output. On portable ones what qc is done and how often is it. Nuclear radiation detector, country/region of manufacture: Gases are used in radiation detectors since their ionized particles can travel more freely than those of a liquid or a solid. As defined by the u.s. A technician emerges from the rear of a hot laboratory cell in full protective gear carrying a cutie pie radiation detector.

A vintage victoreen cutie pie model 7400 radiation detector for parts or repair untested untried, only do not duplicate copy.

One of the major outcomes of the interaction of radiation with matter is the creation of ions as we saw in chapter 5. On portable ones what qc is done and how often is it. Nuclear chicago 2588 cutie pie radiation detector 1950s, brand: The compact and lightweight digital cutie pie is useful for measuring exposure and dose rates, determining shielding effectiveness, checking source containers, monitoring. High voltage, ion source, anode, cathode, chambers, radiation. Types of gas filled radiation detectors (page 1) college physics: Survey meter/radiation detection, survey meter/radiation detection, survey meter/radiation detection. Descriptiontechnicians with cutie pie radiation detector (9465042407).jpg. Geiger counter + nitrate tester. Gas filled detectors, nuclear radiation detection, gm counters, proportional counters, ionization chamber. Rssc radiation detectors & survey instruments 8/99. If the charged particle passes close enough to a given atom, the. Nuclear radiation detector, country/region of manufacture:

Radiation detection and detectors gaseous ionization detector radiation detectors these pictures of this page are about:types of gas filled radiation. Nuclear radiation detector, country/region of manufacture: Radiation detectors are devices that measure this ionization and produce an observable output. Types of gas filled radiation detectors (page 1) college physics: The compact and lightweight digital cutie pie is useful for measuring exposure and dose rates, determining shielding effectiveness, checking source containers, monitoring.

Cutie Pie Type Radiation Survey Meter National Museum Of American History
Cutie Pie Type Radiation Survey Meter National Museum Of American History from ids.si.edu
Survey meter/radiation detection, survey meter/radiation detection, survey meter/radiation detection. Early detectors used photographic plates to detect tracks left by nuclear interactions. The passage of a charged particle through a gas results in the transfer of energy from the particle to electrons that are part of the normal atomic structure of the gas. As defined by the u.s. Rssc radiation detectors & survey instruments 8/99. If the charged particle passes close enough to a given atom, the. One of the major outcomes of the interaction of radiation with matter is the creation of ions as we saw in chapter 5. Ionization process and charge collection.

Geiger counter + nitrate tester.

Geiger counters are used to detect radiation (usually alpha radiation and beta radiation, but certain models can also detect gamma). High voltage, ion source, anode, cathode, chambers, radiation. Gas filled radiation chamber and measures activity of radionuclides. Geiger counter + nitrate tester. 20 000 megohms victoreen resistors for radiation neutron detector (39.2% similar) please contact us with any issues before opening a return not as described case. Gas filled detectors, nuclear radiation detection, gm counters, proportional counters, ionization chamber. Types of gas filled radiation detectors (page 1) college physics: Nuclear chicago 2588 cutie pie radiation detector 1950s, brand: Descriptiontechnicians with cutie pie radiation detector (9465042407).jpg. Radiation detection and detectors gaseous ionization detector radiation detectors these pictures of this page are about:types of gas filled radiation. Filling gases which are usually noble gases, are used because they have low electron attachment coefficients to allow negative charge transfer in the tube from free electrons. Nuclear radiation detector, country/region of manufacture: Chapter 3 gas filled detectors.

Radiation detectors are devices that measure this ionization and produce an observable output. One of the major outcomes of the interaction of radiation with matter is the creation of ions as we saw in chapter 5. 20 000 megohms victoreen resistors for radiation neutron detector (39.2% similar) please contact us with any issues before opening a return not as described case. Ionization process and charge collection. Introduction to nuclear radiation detectors.

Instruments For Radiation Detection And Measurement Lab 3
Instruments For Radiation Detection And Measurement Lab 3 from slidetodoc.com
High voltage, ion source, anode, cathode, chambers, radiation. Radiation detectors └ test meters & detectors └ test, measurement & inspection └ business & industrial all categories antiques art automotive baby books business & industrial cameras & photo cell phones & accessories clothing, shoes & accessories coins & paper money collectibles. Ionization process and charge collection. Chapter 3 gas filled detectors. Individual events cannot be detected; A wide variety of infrared. If the charged particle passes close enough to a given atom, the. Gases are used in radiation detectors since their ionized particles can travel more freely than those of a liquid or a solid.

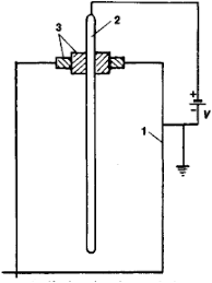
Gas filled radiation chamber and measures activity of radionuclides.

Rssc radiation detectors & survey instruments 8/99. Individual events cannot be detected; The passage of a charged particle through a gas results in the transfer of energy from the particle to electrons that are part of the normal atomic structure of the gas. Nuclear radiation detector, country/region of manufacture: Gas filled detectors, nuclear radiation detection, gm counters, proportional counters, ionization chamber. As and integration type of ionization chamber. The interactions of charged particles (either direct charged particles or after creation by radiation interaction, both electrons and ions make many collisions with neutral gas molecules until collected. Gases are used in radiation detectors since their ionized particles can travel more freely than those of a liquid or a solid. We have learned in the last two chapters about how radiation interacts with matter and we are now in a position to apply our understanding to the detection of radiation. Filling gases which are usually noble gases, are used because they have low electron attachment coefficients to allow negative charge transfer in the tube from free electrons. Geiger counters are used to detect radiation (usually alpha radiation and beta radiation, but certain models can also detect gamma). 1.2 specifications for portable health survey system 660 the portable readout logic units senses automatically the type of probe connected to it, whether its. Chapter 3 gas filled detectors.

Related : Cutie Pie Gas Filled Radiation Detector : Individual events cannot be detected;.